Description
Reviews
Description
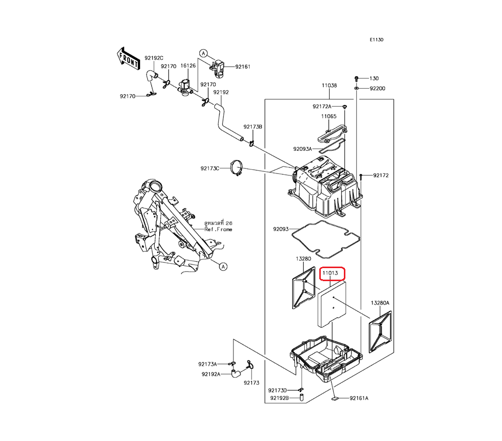
11013-0762. ELEMENT-AIR FILTER. Kawasaki Versys-X 300 (KLE300). 2017-2021
Reviews
No one has left any reviews yet
Related products
